LWHY35C2R1520T2SPS1
井兮精密軸承(上海)有限公司專業銷售IKO LWHY35C2R1520T2SPS1導軌,庫存日本IKO LWHY35C2R1520T2SPS1導軌大量現貨,與廠家常年批量訂購IKO LWHY35C2R1520T2SPS1導軌,您可來電咨詢庫存、報價、優惠等信息。咨詢熱線:021-36539288

更新時間:2026.02.19 瀏覽量:1128
同系列型號
IKO MES35C2R600T1PS1直線導軌基本尺寸參數
- 直線導軌型號:
- LWHY35C2R1520T2SPS1
- 品牌:
- IKO
- 類型:
- 直線導軌
- 系列:
- 直線導軌H系列
- 滑塊 kg:
- 1.12
- 滑軌 kg/m:
- 4.82
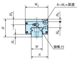
- 裝配尺寸H:
- 45
- 裝配尺寸H1:
- 7
- 裝配尺寸N:
- 43.5
- W2:
- 59.7
- L1:
- 113
- L2:
- 40
- L3:
- 80.6
- L4:
- 123
- M1x深度:
- M6x7
- H3:
- 11
- H5:
- 8
- H6:
- 14
IKO MES35C2R600T1PS1尺寸參數
- 直線導軌型號:
- LWHY35C2R1520T2SPS1
- W:
- 28
- H4:
- 25
- d3:
- 9
- d4:
- 14
- h:
- 12
- E:
- 40
- F:
- 80
- 附帶的滑軌(2) 安裝用螺栓 mm 螺釘的公稱x R:
- M 8x 28
- 基本額定動 負荷(3) C N:
- 28 100
- 基本額定靜 負荷(3) C0N:
- 42 200
- 額定靜力矩(3) T0 N m:
- 646
- 額定靜力矩(3) Tx N m:
- 556 2 930
- 額定靜力矩(3) Ty N m:
- 556 2 930
