LRWXH75C2R1200P
井兮精密軸承(上海)有限公司專業銷售IKO LRWXH75C2R1200P導軌,庫存日本IKO LRWXH75C2R1200P導軌大量現貨,與廠家常年批量訂購IKO LRWXH75C2R1200P導軌,您可來電咨詢庫存、報價、優惠等信息。咨詢熱線:021-36539288

更新時間:2026.02.19 瀏覽量:890
同系列型號
IKO MES35C2R600T1PS1直線導軌基本尺寸參數
- 直線導軌型號:
- LRWXH75C2R1200P
- 品牌:
- IKO
- 類型:
- 直線導軌
- 系列:
- 直線導軌X系列
- 滑塊 kg:
- 19.7
- 滑軌 kg/m:
- 25.1
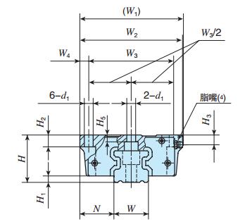
- 裝配尺寸H:
- 90
- 裝配尺寸H1:
- 10
- 裝配尺寸N:
- 59.5
- W1:
- 197
- W2:
- 194
- W3:
- 164
- W4:
- 15
- L1:
- 346
- L2:
- 180
- L3:
- 240
- L5:
- 45
- L6:
- 134
- d1:
- 18
- H2:
- 24
- H3:
- 20
- H5:
- 16
IKO MES35C2R600T1PS1尺寸參數
- 直線導軌型號:
- LRWXH75C2R1200P
- W:
- 75
- H4:
- 57
- d3:
- 26
- d4:
- 39
- h:
- 30
- E:
- 60
- F:
- 120
- 附帶的滑軌(2) 安裝用螺栓 mm 螺釘的公稱x R:
- M24x60
- 基本額定動 負荷(3) C N:
- 298 000
- 基本額定靜 負荷(3) C0N:
- 518 000
- 額定靜力矩(3) T0 N m:
- 25 200
- 額定靜力矩(3) Tx N m:
- 20 900 121 000
- 額定靜力矩(3) Ty N m:
- 20 900 121 000
